SR type controller wiring
							
								2023-10-31
							
                            
								
                                
							
                        
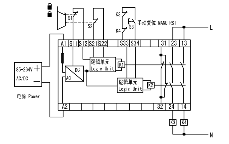
                    SR4P2A1B22、24 Wiring diagram:


SR4P2A1B24N/P Wiring diagram:


SR4P2A1B24S Wiring diagram:
